行业知识

  • BAH-LK系列兆欧表使用知识介绍

    兆欧表(标准术语称为绝缘电阻表)是一种测量绝缘电阻的仪表,由于这种仪表的阻值单位通常为兆欧(MΩ),所以常称作兆欧表。兆欧表主要用来测量电气设备和电气线路的绝缘电阻。兆欧表可以测量绝缘导线的绝缘电阻,判断电气设备是否漏电等。有些万用表也可以测量兆欧级的电阻,但万用表本身提供的电压低,无法测量高压下电气设备的绝缘电阻,如有些设备在低压下绝缘电阻很大,但电压升高,绝缘电阻很小,漏电很严重,容易造成触电事故。

    2022-04-16 kwzk九州体育在线注册,九州体育(中国)自控

  • YRR-DY系列钳形表使用知识简绍

    钳形表又称钳形电流表,是一种测量电气线路电流大小的仪表。与电流表和万用表相比,钳形表的优点是在测电流时不需要断开电路。钳形表可分为指针式钳形表和数字式钳形表两类:指针式钳形表是利用内部电流表的指针摆动来指示被测电流的大小;数字式钳形表是利用数字测量电路将被测电流处理后,再通过显示器以数字的形式将电流大小显示出来。

    2022-04-16 kwzk九州体育在线注册,九州体育(中国)自控

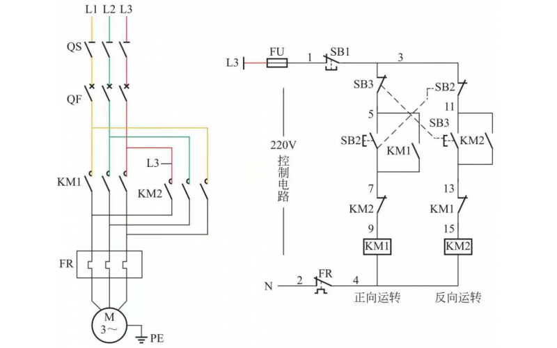
  • 接触器互锁正反转电路知识

    合上控制回路熔断器FU,电路具备启停条件。电动机主回路中增加了过载保护(热继电器FR)。电动机过载时,热继电器FR动作,FR的动断触点断开,接触器KM断电释放,KM的三个主触点同时断开,电动机断电停止运转。

    2022-04-16 kwzk九州体育在线注册,九州体育(中国)自控

  • 基本照明控制电路知识

    照明线路一般由电源、导线、开关和负载(照明灯)组成,常见的照明控制电路主要有,一只开关控制一盏灯线路、一只开关控制两盏及两盏灯以上的照明线路、两个(或多个)开关异地控制一盏灯的照明线路等多种形式。常用的白炽灯、节能灯、荧光灯以及LED灯等照明灯具,都可以采用这些控制电路。

    2022-04-16 kwzk九州体育在线注册,九州体育(中国)自控

  • 风机变频器类故障典型案例分析

    20号风机报电网掉电,检修班组开具工作票后前往20号风机现场。

    2022-04-16 kwzk九州体育在线注册,九州体育(中国)自控

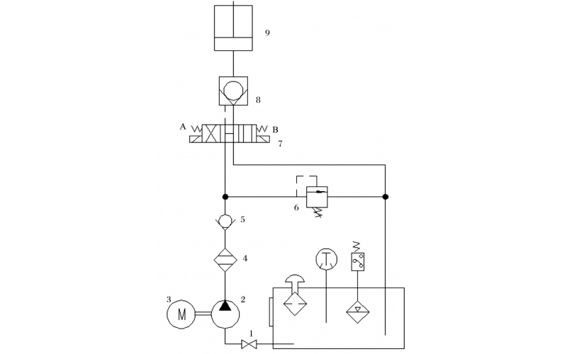
  • 液压控制技术在旋回破碎机中的应用知识(KWZK九州体育在线注册,九州体育(中国)自控)

    旋回破碎机经常会出现过铁超载等工况,造成主轴、动锥剧烈运动。针对上述情况,应用液压泵控制主轴升降,应用液压平衡缸保护动锥,应用液压保护系统防止过铁损伤设备。液压控制技术在旋回破碎机上的应用证明,该技术具有响应速度快、容易实现过载保护等特点,降低了设备故障率,提高了设备作业率。

    2022-04-15 九州体育在线注册,九州体育(中国)

  • 火电厂脱硫罗茨风机振动大诊断及处理办法

    广东某2*600MW火电厂脱硫用RBS175、直联传动式罗茨风机,流量8739Nm3/h;风压90KPa;电机型号YKK450-6;电压6kV;功率355Kw;转速980rpm。

    2022-04-15 九州体育在线注册,九州体育(中国)

  • 水系统管路系统的维护保养知识

    水系统管路系统的维护保养知识

    2022-04-13 九州体育在线注册,九州体育(中国)

首页
产品
新闻
联系