KWZK-DJD600电接点液位计故障处理
2022-09-26 九州体育在线注册,九州体育(中国)
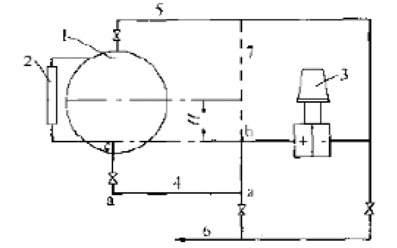
KWZK-DJD600电接点液位计电极故障分析
YC-LW2音叉式液位开关的故障处理
各种液位计故障处理分享
2022-09-23 九州体育在线注册,九州体育(中国)
KKF-200浮子式钢带液位计的故障分析
WAX-C320差压变送器在强腐蚀系统中的应用
WAX-C320差压变送器液面测量的管路改装分享
2022-09-22 九州体育在线注册,九州体育(中国)
氨水液位计指示偏差的校正方法分享