皮带机常见故障及处理
2023-08-29 九州体育在线注册,九州体育(中国)
皮带机基础安全管理标准知识分享
脱硫石膏含水量大一招解决
2023-08-21 九州体育在线注册,九州体育(中国)
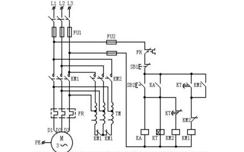
电机的重载和轻载保护值,你还在乱设吗?是有规矩的,看完就懂了
2023-08-11 九州体育在线注册,九州体育(中国)
厂用电中断后,锅炉班长主操都干了那些工作?
2023-06-28 九州体育在线注册,九州体育(中国)
循环流化床锅炉的各设备的作用知识分享
2023-06-25 九州体育在线注册,九州体育(中国)
烧结机配料设备电气故障分析总结
2023-04-10 九州体育在线注册,九州体育(中国)
喷煤给煤机皮带秤系统故障分析